

Каталог продукции
Бесплатная консультация
Корзина пустаПриборы для измерения давления. Приборы для измерения температуры. Горелки газовые блочного типа. Форсунки. Пилотные горелки. Для безопасной работы установок работающих на сжигании газообразного, жидкого или твердого топлива основным параметром безопасности является контроль наличия и погасания пламени. Автоматика управления котлами, горелками, котлоагрегатами, теплогенераторами, печами. Устройства автоматизации. Котельное оборудование. Оборудование для узлов учета, датчики давления.
Компания ОВЕН предлагает самый широкий среди российских производителей ассортимент выпускаемой продукции. Он включает в себя более 80 наименований приборов, которые могут использоваться для построения систем автоматизации любого уровня: - Программируемые логические контроллеры (ПЛК); модули ввода/вывода; операторские панели; преобразователи интерфейса. - Общепромышленные регуляторы, регуляторы уровня, специализированные контроллеры, таймеры, счетчики, блоки питания. - Датчики: температуры, давления, уровня. Спектр отраслей промышленности, где работают приборы ОВЕН, очень широк и включает в себя химические и нефтехимические производства, металлургические и деревообрабатывающие предприятия, пищевую и упаковочную отрасли, энергетику, жилищно-коммунальное хозяйство и многие другие.
Приборы для измерения и регулирования температуры, влажности, вакуума под маркой ТЕРМОДАТ и МЕРАДАТ. Модельный ряд приборов охватывает как простейшие одноканальные измерители, так и сложные многоканальные регуляторы с большим графическим дисплеем.
Широкий спектр клапанов различной конфигурации и назначения.
Клапаны электромагнитные соленоидные
Катушки для клапанов
Реле времени для клапанов
Коннекторы
Подробная информация на нашем русскоязычном сайте - http://пкип.рф/catalog/
ЗАО «Росма» на сегодняшний день является одним из крупнейших отечественных производителей контрольно-измерительных приборов, прочно входя в пятерку лидеров рынка в данной области. Одни из самых популярных приборов это - Манометры, Термометры, Термоманометры, Разделители сред, Клапаны электромагнитные (соленоидные), Датчики и реле давления, Преобразователи давления, Датчики уровня.
Предназначены для предотвращения выхода из строя электродвигателей и агрегатов на их основе при возникновении недопустимых режимов работы, обусловленных различными эксплуатационными факторами: технологическими перегрузками; поломками и заклиниванием механизмов; холостом ходе; асимметрией питающей сети или неисправностью коммутационной аппаратуры. Обеспечивают защитное отключение электродвигателя при возникновении недопустимых (аварийных) режимов работы: перегрузке по току; недогрузке по току; неполнофазном режиме работы; превышении допустимого дисбаланса токов. Уникальным свойством приборов является наличие функции мониторинга – непрерывного наблюдения за работой электродвигателей, регистрации режимов и событий, накопления статистических данных о работе электродвигателей и агрегатов на их основе, защиты электродвигателей.

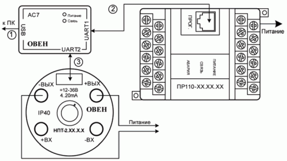
Добавить в корзинуОВЕН АС7 предназначен для взаимного преобразования интерфейсов USB и UART. Позволяет подключать к ПК и программировать устройства: ПР110, НПТ2 и другие устройства поддерживающие интерфейс UART.
|
Наименование |
Значение |
|
Питание |
|
|
Постоянное напряжение (на шине USB), В |
от 4,75 до 5,25 |
|
Потребляемая мощность, Вт, не более |
0,5 |
|
Интерфейс USB |
|
|
Стандарт интерфейса |
USB2.0 |
|
Длина линии связи с внешним устройством, м, не более |
1,5 |
|
Скорость обмена данными |
до 115200 бит/с |
|
Используемые линии передачи данных |
D+, D- |
|
Приемо-передатчик UART |
|
|
Длина линии связи с внешним устройством, м не более |
0,3 |
|
Количество подключаемых приборов |
1 |
|
Используемые линии передачи данных |
RX, TX |
|
Горячее включение |
допускается |
|
Корпус |
|
|
Габаритные размеры, мм |
66×46×22 |
|
Степень защиты |
IP20 |
|
Масса, г, не более |
50 |
|
Гальваническая изоляция |
|
|
USB - UART |
Отсутствует |
ВНИМАНИЕ! Одновременное подключение двух приборов к АС7 запрещено!
|
Схема подключения АС7 к ПР110 и НПТ2 1 – Комплектный кабель «USB 2.0 тип А-В, 1,5м» 2 – Комплектный кабель «КС8» 3 – Комплектный кабель «КШ8» |
Телефон в Перми +7 (342) 270-02-27.
Задайте ваш вопрос он-лайн,
чтобы получить развернутый ответ на e-mail
Обращаем Ваше внимание на то, что вся представленная на сайте информация, касающаяся комплектаций, технических характеристик, а также стоимости оборудования носит информационный характер и ни при каких условиях не является публичной офертой, определяемой положениями Статьи 437 (2) Гражданского кодекса Российской Федерации.