

Каталог продукции
Бесплатная консультация
Корзина пуста
Приборы для измерения давления. Приборы для измерения температуры. Горелки газовые блочного типа. Форсунки. Пилотные горелки. Для безопасной работы установок работающих на сжигании газообразного, жидкого или твердого топлива основным параметром безопасности является контроль наличия и погасания пламени. Автоматика управления котлами, горелками, котлоагрегатами, теплогенераторами, печами. Устройства автоматизации. Котельное оборудование. Оборудование для узлов учета, датчики давления.
Компания ОВЕН предлагает самый широкий среди российских производителей ассортимент выпускаемой продукции. Он включает в себя более 80 наименований приборов, которые могут использоваться для построения систем автоматизации любого уровня: - Программируемые логические контроллеры (ПЛК); модули ввода/вывода; операторские панели; преобразователи интерфейса. - Общепромышленные регуляторы, регуляторы уровня, специализированные контроллеры, таймеры, счетчики, блоки питания. - Датчики: температуры, давления, уровня. Спектр отраслей промышленности, где работают приборы ОВЕН, очень широк и включает в себя химические и нефтехимические производства, металлургические и деревообрабатывающие предприятия, пищевую и упаковочную отрасли, энергетику, жилищно-коммунальное хозяйство и многие другие.
Приборы для измерения и регулирования температуры, влажности, вакуума под маркой ТЕРМОДАТ и МЕРАДАТ. Модельный ряд приборов охватывает как простейшие одноканальные измерители, так и сложные многоканальные регуляторы с большим графическим дисплеем.
Широкий спектр клапанов различной конфигурации и назначения.
Клапаны электромагнитные соленоидные
Катушки для клапанов
Реле времени для клапанов
Коннекторы
Подробная информация на нашем русскоязычном сайте - http://пкип.рф/catalog/
ЗАО «Росма» на сегодняшний день является одним из крупнейших отечественных производителей контрольно-измерительных приборов, прочно входя в пятерку лидеров рынка в данной области. Одни из самых популярных приборов это - Манометры, Термометры, Термоманометры, Разделители сред, Клапаны электромагнитные (соленоидные), Датчики и реле давления, Преобразователи давления, Датчики уровня.
Предназначены для предотвращения выхода из строя электродвигателей и агрегатов на их основе при возникновении недопустимых режимов работы, обусловленных различными эксплуатационными факторами: технологическими перегрузками; поломками и заклиниванием механизмов; холостом ходе; асимметрией питающей сети или неисправностью коммутационной аппаратуры. Обеспечивают защитное отключение электродвигателя при возникновении недопустимых (аварийных) режимов работы: перегрузке по току; недогрузке по току; неполнофазном режиме работы; превышении допустимого дисбаланса токов. Уникальным свойством приборов является наличие функции мониторинга – непрерывного наблюдения за работой электродвигателей, регистрации режимов и событий, накопления статистических данных о работе электродвигателей и агрегатов на их основе, защиты электродвигателей.

Добавить в корзинуПрибор предназначен для измерения напряжения, силы тока, частоты, мощности, фазового угла и коэффициента мощности в трехфазных сетях, преобразования измеренных параметров в цифровой код и передачи результатов измерений в сеть RS-485.
Прибор может быть использован в составе измерительных систем контроля и управления технологическими процессами на промышленных предприятиях и на объектах жилищно-коммунального хозяйства.
• Безопасное функционирование важных технологических узлов (электрооборудования)
• Возможность ведения журнала изменений параметров питающей сети (при использовании МСД200 или СПК107)
Примеры работы:
МЭ110-220.3М+СПК107
МЭ110-220.3М+МСД200
МЭ110-220.3М+ПЛК323
Прибор не является Мастером сети, поэтому сеть RS-485 должна иметь Мастер сети, например, ПК с запущенной на нем SCADA-системой, контроллер или регулятор.
К прибору предоставляется бесплатный ОРС-драйвер и библиотека стандарта WIN DLL, которые рекомендуется использовать при подключении прибора к SCADA-системам и контроллерам других производителей.
Конфигурирование прибора осуществляется на ПК через адаптер интерфейса RS-485/RS-232 или RS-485/USB (например, ОВЕН АСЗ-М или АС4) с помощью программы «Конфигуратор М110», входящей в комплект поставки.
Прибор отвечает требованиям по устойчивости к воздействию помех в соответствии с ГОСТ Р 51522 для оборудования класса А.
МЭ110 является полностью российской разработкой крупнейшего отечественного производителя средств промышленной автоматизации – компании ОВЕН.
Все это означает:
Руководство по эксплуатации МЭ110-220.3М
|
Наименование |
Значение |
|
Питание |
|
|
Напряжение питания от сети переменного тока, В |
от 90 до 264 частотой от 45 до 65Гц |
|
Потребляемая мощность, ВА, не более |
7,5 |
|
Измерение фазного напряжения |
|
|
Входной сигнал (действующее значение) С использованием внешних трансформаторов напряжения |
~ (1...400) В, от 45 до 65 Гц ~ (1×10-3...4000×103) В, от 45 до 65 Гц |
|
Максимальное допустимое значение, не более 1 сек |
800 В |
|
Основная приведенная погрешность измерений |
0,15 % |
|
Разрешающая способность, В |
0,1 |
|
Входное сопротивление, кОм, не менее |
500 |
|
Время опроса входа, сек, не более |
1 |
|
Количество каналов измерения |
3 |
|
Измерение линейного напряжения (межфазного) |
|
|
Входной сигнал (действующее значение) С использованием внешних трансформаторов напряжения |
~ (2...580) В, от 45 до 65 Гц ~ (2×10-3...5800×103) В, от 45 до 65 Гц |
|
Максимальное допустимое значение, не более 1 сек |
800 В |
|
Основная приведенная погрешность измерений |
0,5 % |
|
Разрешающая способность, В |
0,1 |
|
Входное сопротивление, кОм, не менее |
500 |
|
Время опроса входа, сек, не более |
1 |
|
Количество каналов измерения |
3 |
|
Измерение силы тока |
|
|
Входной сигнал (действующее значение), А С использованием внешних трансформаторов тока, А |
от 0,005 до 5 от 0,005×10-3до 50×103 |
|
Максимальное допустимое значение, не более 1 сек |
10 А |
|
Основная приведенная погрешность измерений |
0,15 % |
|
Время опроса входа, сек, не более |
1 |
|
Разрешающая способность, А |
0,001 |
|
Входное сопротивление, Ом, не более |
0,01 |
|
Количество каналов измерения |
3 |
|
Измерение полной, активной и реактивной мощности |
|
|
Входной сигнал (действующее значение), кВт, кВА, кВАр С использованием внешних трансформаторов (напряжения/ток) |
от 0,02 до 2 от 0,2×10-6 до 200×109 |
|
Основная приведенная погрешность измерений |
0,2 % |
|
Время вычисления, сек, не более |
1 |
|
Разрешающая способность, Вт, ВА, Вар |
1 |
|
Количество каналов измерения |
3 |
|
Измерение частоты первой гармоники |
|
|
Действующая частота первой гармоники, Гц |
от 45 до 65 |
|
Основная приведенная погрешность измерений |
0,15 % |
|
Время опроса входа, сек, не более |
1 |
|
Разрешающая способность, Гц |
0,01 |
|
Количество каналов измерения (активный) |
1 |
|
Измерение коэффициента мощности cosφ |
|
|
Диапазон измерения (в рабочем диапазоне мощности) |
от 0 до 1 |
|
Основная погрешность измерений |
1,0 % |
|
Время вычисления, сек, не более |
1 |
|
Разрешающая способность |
0,01 |
|
Количество каналов измерения |
3 |
|
Измерение фазового угла |
|
|
Диапазон измерения (в рабочем диапазоне напряжений) |
от 10° до 170° |
|
Основная погрешность измерений |
0,4 % |
|
Время опроса входа, сек, не более |
1 |
|
Разрешающая способность |
1° |
|
Количество каналов измерения |
3 |
|
Интерфейс связи RS-485 |
|
|
Скорости обмена, бит/сек |
2400, 4800, 9600, 14400, 19200, 28800, 38400, 57600, 115200 |
|
Протоколы связи |
ОВЕН; ModBus-RTU; |
|
Входное сопротивление, кОм |
12 |
|
Конструктивное исполнение |
|
|
Степень защиты корпуса |
IP20 |
|
Габаритные размеры прибора (Приложение А), мм |
(96×73×110) ±1 |
|
Масса прибора, кг, не более |
0,5 |
|
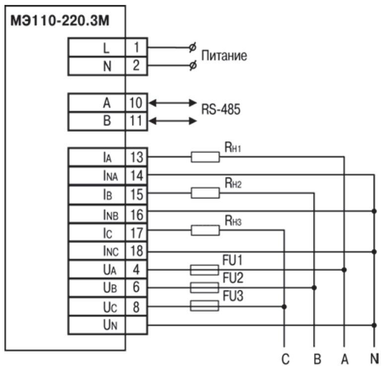
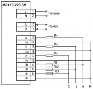
FU1, FU1, FU3 – плавкие предохранители 1,0 А / 600 В (типа ВПТ6-33) Подключение прибора к трехфазной сети |
Подключение прибора к трехфазной сети через согласующие трансформаторы |
Телефон в Перми +7 (342) 270-02-27.
Задайте ваш вопрос он-лайн,
чтобы получить развернутый ответ на e-mail
Обращаем Ваше внимание на то, что вся представленная на сайте информация, касающаяся комплектаций, технических характеристик, а также стоимости оборудования носит информационный характер и ни при каких условиях не является публичной офертой, определяемой положениями Статьи 437 (2) Гражданского кодекса Российской Федерации.