

Каталог продукции
Бесплатная консультация
Корзина пустаПриборы для измерения давления. Приборы для измерения температуры. Горелки газовые блочного типа. Форсунки. Пилотные горелки. Для безопасной работы установок работающих на сжигании газообразного, жидкого или твердого топлива основным параметром безопасности является контроль наличия и погасания пламени. Автоматика управления котлами, горелками, котлоагрегатами, теплогенераторами, печами. Устройства автоматизации. Котельное оборудование. Оборудование для узлов учета, датчики давления.
Компания ОВЕН предлагает самый широкий среди российских производителей ассортимент выпускаемой продукции. Он включает в себя более 80 наименований приборов, которые могут использоваться для построения систем автоматизации любого уровня: - Программируемые логические контроллеры (ПЛК); модули ввода/вывода; операторские панели; преобразователи интерфейса. - Общепромышленные регуляторы, регуляторы уровня, специализированные контроллеры, таймеры, счетчики, блоки питания. - Датчики: температуры, давления, уровня. Спектр отраслей промышленности, где работают приборы ОВЕН, очень широк и включает в себя химические и нефтехимические производства, металлургические и деревообрабатывающие предприятия, пищевую и упаковочную отрасли, энергетику, жилищно-коммунальное хозяйство и многие другие.
Приборы для измерения и регулирования температуры, влажности, вакуума под маркой ТЕРМОДАТ и МЕРАДАТ. Модельный ряд приборов охватывает как простейшие одноканальные измерители, так и сложные многоканальные регуляторы с большим графическим дисплеем.
Широкий спектр клапанов различной конфигурации и назначения.
Клапаны электромагнитные соленоидные
Катушки для клапанов
Реле времени для клапанов
Коннекторы
Подробная информация на нашем русскоязычном сайте - http://пкип.рф/catalog/
ЗАО «Росма» на сегодняшний день является одним из крупнейших отечественных производителей контрольно-измерительных приборов, прочно входя в пятерку лидеров рынка в данной области. Одни из самых популярных приборов это - Манометры, Термометры, Термоманометры, Разделители сред, Клапаны электромагнитные (соленоидные), Датчики и реле давления, Преобразователи давления, Датчики уровня.
Предназначены для предотвращения выхода из строя электродвигателей и агрегатов на их основе при возникновении недопустимых режимов работы, обусловленных различными эксплуатационными факторами: технологическими перегрузками; поломками и заклиниванием механизмов; холостом ходе; асимметрией питающей сети или неисправностью коммутационной аппаратуры. Обеспечивают защитное отключение электродвигателя при возникновении недопустимых (аварийных) режимов работы: перегрузке по току; недогрузке по току; неполнофазном режиме работы; превышении допустимого дисбаланса токов. Уникальным свойством приборов является наличие функции мониторинга – непрерывного наблюдения за работой электродвигателей, регистрации режимов и событий, накопления статистических данных о работе электродвигателей и агрегатов на их основе, защиты электродвигателей.
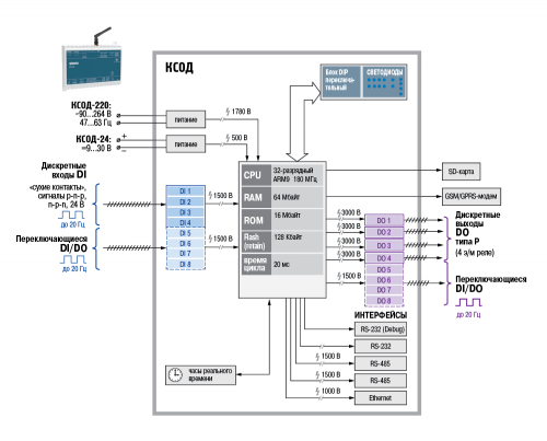
ОВЕН КСОД – контроллер многофункциональный сбора и передачи данных предназначен для считывания данных коммерческого и/или технического учёта со счётчиков по последовательным интерфейсам и передачи полученной информации на верхний уровень по каналам GPRS и Ethernet. Имеет сертификат средства измерения.
|
Конструктивное исполнение (Ш×В×Г) |
Унифицированный корпус для крепления на DIN-рейку (157×129,5×34 мм) |
|
|
Степень защиты корпуса |
IP20 со стороны передней панели, IP00 со стороны клемм |
|
|
Напряжение питания КСОД-220 КСОД-24 |
~90…264 В (номинальное значение 110/230 В) частотой 47…63 Гц =9…30 В (номинальное значение 24 В) |
|
|
Потребляемая мощность, не более КСОД-220 КСОД-24 |
15 ВА 20 Вт |
|
|
Индикация передней панели |
Светодиодная индикация питания, состояния входов/выходов, состояния приема/передачи Ethernet, последовательных портов и GSM |
|
|
Центральный процессор |
32-разрядный RISC-процессор 180 МГц на базе ядра ARM9 (Atmel AT91RM9200) |
|
|
Объем оперативной памяти |
64 МБ (SDRAM) |
|
|
Объем энергонезависимой |
16 МБ (NOR Flash) |
|
|
Объем энергонезависимой памяти (Retain) |
4 Кбайт (MRAM) |
|
|
Количество дискретных входов |
4 |
|
|
Гальваническая изоляция дискретных входов |
групповая |
|
|
Максимальная частота сигнала, подаваемого на дискретный вход, Гц |
20 |
|
|
Количество дискретных входов |
4 |
|
|
Гальваническая изоляция дискретных входов |
групповая |
|
|
Максимальная частота сигнала, подаваемого на дискретный вход, Гц |
20 |
|
* - режим работы входа/выхода выбирается DIP-переключателем на корпусе ПЛК.
|
Количество и тип дискретных выходов |
4, реле |
|
Максимальное напряжение, коммутируемое контактами релейного выхода: переменного тока постоянного тока |
270 В 30 В |
|
Максимальный ток, коммутируемый контактами релейного выхода: |
|
|
нормально-замкнутым контактом |
3 А (~250 В, категория используемой нагрузки АС-15) 3 (=30 В, категория используемой нагрузки DC-13) |
|
нормально-разомкнутым контактом |
10 А (~250 В, категория используемой нагрузки АС-15) 5 А (=30 В, категория используемой нагрузки DC-13) |
|
Гальваническая развязка дискретных выходов |
Индивидуальная |
|
Ethernet |
1 |
|
|
RS-232 |
1 |
|
|
RS-485 (для ПЛК323-хх.01.хх, с гальванической развязкой) |
2 |
|
|
GSM/GPRS* |
1, Класс 10 |
|
|
Слот для карты памяти (MicroSD/MicroSDHC) |
1 |
|
* - Антенна в комлект поставки не входит.
Дистрибутив Телемеханика ЛАЙТ версия 1.1.6 (ZIP)
Обновление дистрибутива Телемеханикa ЛАЙТ до версии 1.1.6 (ZIP)
Телефон в Перми +7 (342) 270-02-27.
Задайте ваш вопрос он-лайн,
чтобы получить развернутый ответ на e-mail
Обращаем Ваше внимание на то, что вся представленная на сайте информация, касающаяся комплектаций, технических характеристик, а также стоимости оборудования носит информационный характер и ни при каких условиях не является публичной офертой, определяемой положениями Статьи 437 (2) Гражданского кодекса Российской Федерации.
.png)