

Каталог продукции
Бесплатная консультация
Корзина пустаПриборы для измерения давления. Приборы для измерения температуры. Горелки газовые блочного типа. Форсунки. Пилотные горелки. Для безопасной работы установок работающих на сжигании газообразного, жидкого или твердого топлива основным параметром безопасности является контроль наличия и погасания пламени. Автоматика управления котлами, горелками, котлоагрегатами, теплогенераторами, печами. Устройства автоматизации. Котельное оборудование. Оборудование для узлов учета, датчики давления.
Компания ОВЕН предлагает самый широкий среди российских производителей ассортимент выпускаемой продукции. Он включает в себя более 80 наименований приборов, которые могут использоваться для построения систем автоматизации любого уровня: - Программируемые логические контроллеры (ПЛК); модули ввода/вывода; операторские панели; преобразователи интерфейса. - Общепромышленные регуляторы, регуляторы уровня, специализированные контроллеры, таймеры, счетчики, блоки питания. - Датчики: температуры, давления, уровня. Спектр отраслей промышленности, где работают приборы ОВЕН, очень широк и включает в себя химические и нефтехимические производства, металлургические и деревообрабатывающие предприятия, пищевую и упаковочную отрасли, энергетику, жилищно-коммунальное хозяйство и многие другие.
Приборы для измерения и регулирования температуры, влажности, вакуума под маркой ТЕРМОДАТ и МЕРАДАТ. Модельный ряд приборов охватывает как простейшие одноканальные измерители, так и сложные многоканальные регуляторы с большим графическим дисплеем.
Широкий спектр клапанов различной конфигурации и назначения.
Клапаны электромагнитные соленоидные
Катушки для клапанов
Реле времени для клапанов
Коннекторы
Подробная информация на нашем русскоязычном сайте - http://пкип.рф/catalog/
ЗАО «Росма» на сегодняшний день является одним из крупнейших отечественных производителей контрольно-измерительных приборов, прочно входя в пятерку лидеров рынка в данной области. Одни из самых популярных приборов это - Манометры, Термометры, Термоманометры, Разделители сред, Клапаны электромагнитные (соленоидные), Датчики и реле давления, Преобразователи давления, Датчики уровня.
Предназначены для предотвращения выхода из строя электродвигателей и агрегатов на их основе при возникновении недопустимых режимов работы, обусловленных различными эксплуатационными факторами: технологическими перегрузками; поломками и заклиниванием механизмов; холостом ходе; асимметрией питающей сети или неисправностью коммутационной аппаратуры. Обеспечивают защитное отключение электродвигателя при возникновении недопустимых (аварийных) режимов работы: перегрузке по току; недогрузке по току; неполнофазном режиме работы; превышении допустимого дисбаланса токов. Уникальным свойством приборов является наличие функции мониторинга – непрерывного наблюдения за работой электродвигателей, регистрации режимов и событий, накопления статистических данных о работе электродвигателей и агрегатов на их основе, защиты электродвигателей.
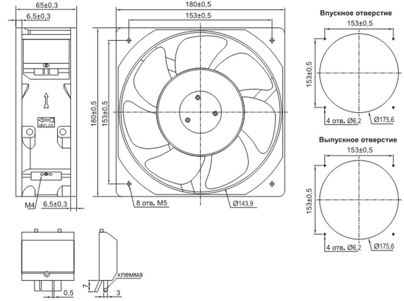
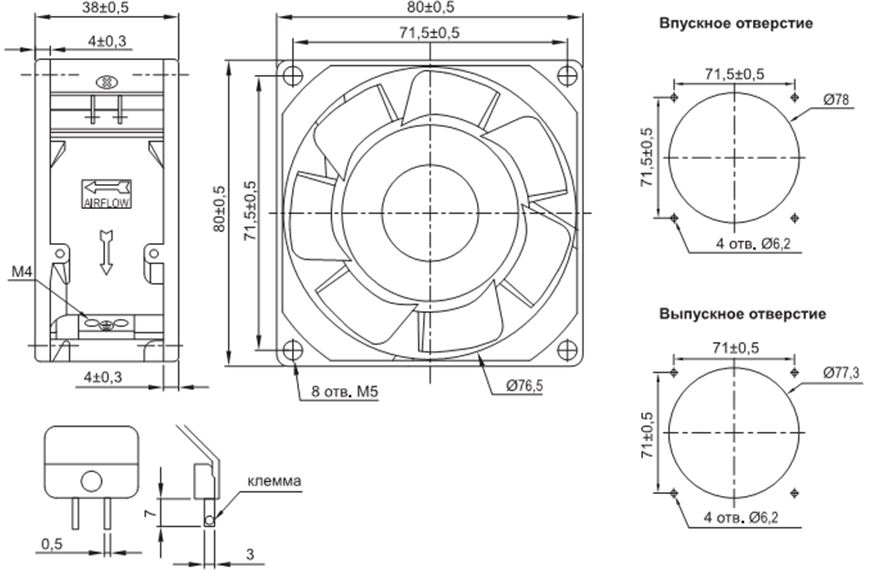
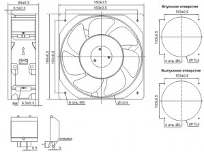
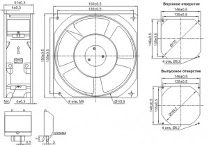
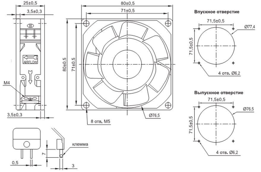
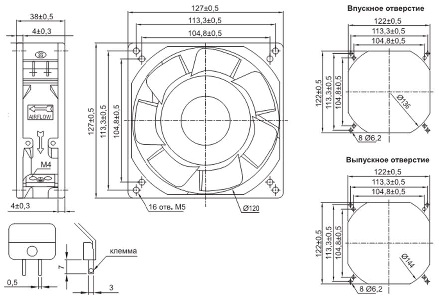
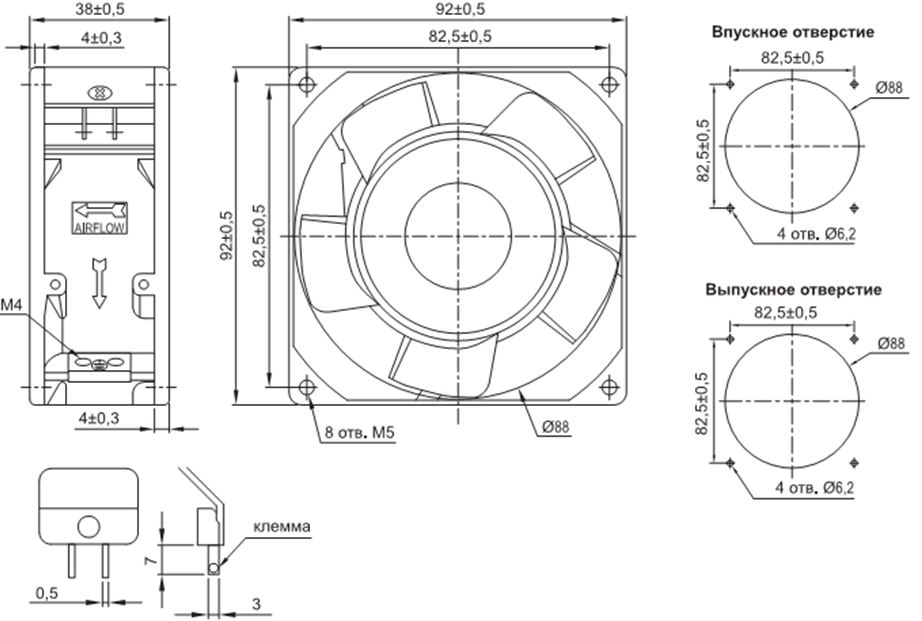
Предназначены для монтажа на радиаторы охлаждения электронного оборудования, в том числе на радиаторы твердотельных реле, а также для
установки на впускные решетки шкафов управления. Кроме этого вентиляторы охлаждения KIPPRIBOR серии VENT используются в системах охлаждения промышленного оборудования для отвода избыточного тепла от нагревающихся поверхностей и деталей.
Вентиляторы KIPPRIBOR серии VENT обладают тщательно продуманной конструкцией корпуса и крыльчатки. Они стали первыми вентиляторами, в конструкции которых используется крыльчатка из магниевого сплава. Продуманность конструкции и особенности используемых материалов для производства вентиляторов VENT дают следующие преимущества перед конкурентами:
Все вышеперечисленные особенности выгодно отличают вентиляторы KIPPRIBOR серии VENT от аналогичных вентиляторов таких известных производителей как SUNON, FULLTECH и COMAIR.
| Параметр | ВЕНТ-8025-1-220VAC |
BEHT-8038-1-220VAC |
ВЕНТ-12025-1-220VAC |
ВЕНТ-12038-1-220VAC |
| Размеры (ШхВхГ) | 80х80х25 | 80х80х38 | 120х120х25 | 120х120х38 |
| Напряжение питания | 220 VAC | 220 VAC | 220 VAC | 220 VAC |
| Потребляемый ток | 0,07 А | 0,08 А | 0,09 А | 0,12 А |
| Частота питающей сети | 50 Гц | 50 Гц | 50 Гц | 50 Гц |
| Мощность | 13 Вт | 13 Вт | 17 Вт | 19 Вт |
| Скорость вращения | 2300 Об/мин | 2300 Об/мин | 2300 Об/мин | 2600 Об/мин |
| Производительность | 0,7 м3/мин | 0,9 м3/мин | 1,7 м3/мин | 2,6 м3/мин |
| Тип подшипника | Подшипник качения | Подшипник качения | Подшипник качения | Подшипник качения |
| Уровень шума | 29 дБА | 31 дБА | 29 дБА | 39 дБА |
| Масса | 200 г | 290 г | 380 г | 520 г |
| Совместимость с радиаторами KIPPRIBOR | PTP034 PTP036 | PTP034 PTP036 | PTP038 PTP039 PTP040 | PTP038 PTP039 PTP040 |
| Метизы для крепления к радиатору | Саморез 4,2х38 в соответствии с DIN 7981 | Саморез 4,2х50 в соответствии с DIN 7981 | Болт М4x35 в соответствии с DIN 7985 | Болт М4x50 в соответствии с DIN 7985 |
Напряжение питания: 220 VAC/ 50 Гц.
Тип подшипника: подшипник качения.
|
Модификация |
Pном. |
Iном. |
Скорость вращения |
Производительность |
Уровень шума |
Tраб. |
Вес |
|
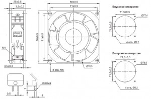
VENT-8025.220VAC.PSHB |
15 Вт |
0,08 А |
2300 об/мин |
0,5 м3/мин |
30 дБА |
-20…+85 °C |
210 г |
|
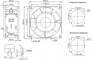
VENT-8038.220VAC.PSHB |
15 Вт |
0,07 А |
2300 об/мин |
0,7 м3/мин |
30 дБА |
-20…+85 ° |
260 г |
|
VENT-9238.220VAC.PSHB |
14 Вт |
0,08 А |
2500 об/мин |
1,1 м3/мин |
37 дБА |
-20…+85 ° |
330 г |
|
VENT-12738.220VAC.PSHB |
21 Вт |
0,13 А |
2700 об/мин |
2,8 м3/мин |
50 дБА |
-20…+85 ° |
460 г |
|
VENT-18060.220VAC.PSHB |
70 Вт |
0,59 А |
2600 об/мин |
10,8 м3/мин |
60 дБА |
-20…+85 ° |
1450 г |
|
||||||||||||
| VENT-8025.220VAC.PSHB | VENT-8038.220VAC.PSHB |
| VENT-9238.220VAC.PSHB | VENT-12738.220VAC.PSHB |
| VENT-18060.220VAC.PSHB | |
Напряжение питания: 220 VAC/ 50 Гц.
Тип подшипника: подшипник качения.
|
Модификация |
Pном. |
Iном. |
Скорость вращения |
Производительность |
Уровень шума |
Tраб. |
Вес |
|
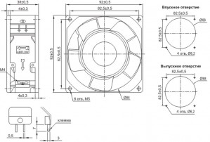
VENT-12038.220VAC.MSMB |
14 Вт |
0,08 А |
2500 об/мин |
2,2 м3/мин |
41 дБА |
-20…+85 °C |
455 г |
|
VENT-12038.220VAC.MSHB |
21 Вт |
0,13 А |
2700 об/мин |
2,4 м3/мин |
49 дБА |
-20…+85 °C |
460 г |
|
VENT-15051.220VAC.MSHB |
45 Вт |
0,35 А |
2800 об/мин |
5,7 м3/мин |
57 дБА |
-20…+85 °C |
990 г |
|
VENT-18060.220VAC.MSHB |
55 Вт |
0,29 А |
2800 об/мин |
11,3 м3/мин |
61 дБА |
-20…+85 °C |
1450 г |
|
| VENT-12038.220VAC.MSMB | VENT-15051.220VAC.MSHB |
Напряжение питания: 220 VAC/ 50 Гц.
Тип подшипника: подшипник качения.
|
Модификация |
Pном. |
Iном. |
Скорость вращения |
Производительность |
Уровень шума |
Tраб. |
Вес |
|
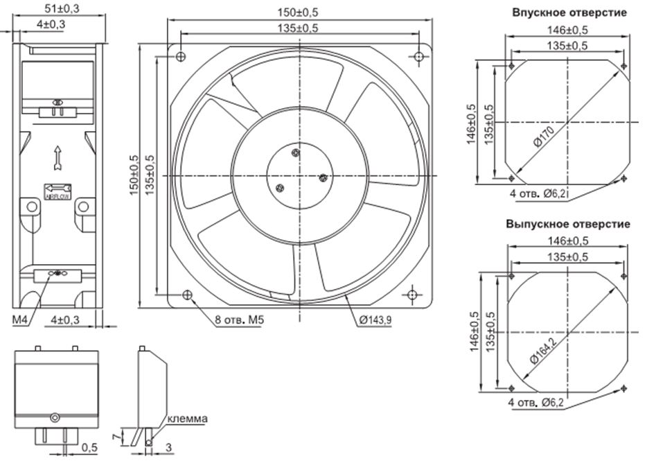
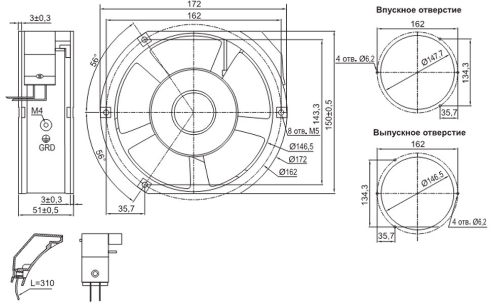
VENT-17251.220VAC.MOHB |
30 Вт |
0,20 А |
2700 об/мин |
5,1 м3/мин |
56 дБА |
-20…+85 °C |
850 г |
|
|
| VENT-17251.220VAC.MOHB |
|
Модель вентилятора |
Модель защитной решетки |
|
|
Металлические |
Пластиковые |
|
|
VENT-8025.220VAC.PSHB |
FG-08 |
PB-08 |
|
VENT-8038.220VAC.PSHB |
FG-08 |
PB-08 |
|
VENT-9238.220VAC.PSHB |
FG-09 |
PB-09 |
|
VENT-12038.220VAC.MSMB |
FG-12 |
PB-12 |
|
VENT-12038.220VAC.MSHB |
FG-12 |
PB-12 |
|
VENT-17251.220VAC.MOHB |
FG-17B |
PB-17 |
|
VENT-18060.220VAC.PSHB |
FG-18A |
- |
|
VENT-18060.220VAC.MSHB |
FG-18A |
- |
Телефон в Перми +7 (342) 270-02-27.
Задайте ваш вопрос он-лайн,
чтобы получить развернутый ответ на e-mail
Обращаем Ваше внимание на то, что вся представленная на сайте информация, касающаяся комплектаций, технических характеристик, а также стоимости оборудования носит информационный характер и ни при каких условиях не является публичной офертой, определяемой положениями Статьи 437 (2) Гражданского кодекса Российской Федерации.