

Каталог продукции
Бесплатная консультация
Корзина пустаПриборы для измерения давления. Приборы для измерения температуры. Горелки газовые блочного типа. Форсунки. Пилотные горелки. Для безопасной работы установок работающих на сжигании газообразного, жидкого или твердого топлива основным параметром безопасности является контроль наличия и погасания пламени. Автоматика управления котлами, горелками, котлоагрегатами, теплогенераторами, печами. Устройства автоматизации. Котельное оборудование. Оборудование для узлов учета, датчики давления.
Компания ОВЕН предлагает самый широкий среди российских производителей ассортимент выпускаемой продукции. Он включает в себя более 80 наименований приборов, которые могут использоваться для построения систем автоматизации любого уровня: - Программируемые логические контроллеры (ПЛК); модули ввода/вывода; операторские панели; преобразователи интерфейса. - Общепромышленные регуляторы, регуляторы уровня, специализированные контроллеры, таймеры, счетчики, блоки питания. - Датчики: температуры, давления, уровня. Спектр отраслей промышленности, где работают приборы ОВЕН, очень широк и включает в себя химические и нефтехимические производства, металлургические и деревообрабатывающие предприятия, пищевую и упаковочную отрасли, энергетику, жилищно-коммунальное хозяйство и многие другие.
Приборы для измерения и регулирования температуры, влажности, вакуума под маркой ТЕРМОДАТ и МЕРАДАТ. Модельный ряд приборов охватывает как простейшие одноканальные измерители, так и сложные многоканальные регуляторы с большим графическим дисплеем.
Широкий спектр клапанов различной конфигурации и назначения.
Клапаны электромагнитные соленоидные
Катушки для клапанов
Реле времени для клапанов
Коннекторы
Подробная информация на нашем русскоязычном сайте - http://пкип.рф/catalog/
ЗАО «Росма» на сегодняшний день является одним из крупнейших отечественных производителей контрольно-измерительных приборов, прочно входя в пятерку лидеров рынка в данной области. Одни из самых популярных приборов это - Манометры, Термометры, Термоманометры, Разделители сред, Клапаны электромагнитные (соленоидные), Датчики и реле давления, Преобразователи давления, Датчики уровня.
Предназначены для предотвращения выхода из строя электродвигателей и агрегатов на их основе при возникновении недопустимых режимов работы, обусловленных различными эксплуатационными факторами: технологическими перегрузками; поломками и заклиниванием механизмов; холостом ходе; асимметрией питающей сети или неисправностью коммутационной аппаратуры. Обеспечивают защитное отключение электродвигателя при возникновении недопустимых (аварийных) режимов работы: перегрузке по току; недогрузке по току; неполнофазном режиме работы; превышении допустимого дисбаланса токов. Уникальным свойством приборов является наличие функции мониторинга – непрерывного наблюдения за работой электродвигателей, регистрации режимов и событий, накопления статистических данных о работе электродвигателей и агрегатов на их основе, защиты электродвигателей.

Добавить в корзинуОднофазные ТТР BDH-xx44.ZD3 и SBDH-xx44.ZD3 – это серии твердотельных реле в корпусах промышленного стандарта, специально разработанных для коммутации нагрузок большой мощности. Благодаря своим конструктивным особенностям и широкому диапазону коммутируемых токов реле этих серий позволяют успешно решать различные задачи по управлению индуктивной и резистивной нагрузкой.
ВНИМАНИЕ! Если значение коммутируемого тока ≥ 5 А, то использование радиатора охлаждения строго обязательно!
|
Модификация ТТР |
Рекомендуемые токи нагрузки |
Максимально допустимые токи нагрузки |
|
|
резистивная нагрузка |
индуктивная нагрузка |
||
|
SBDH-xx44.ZD3 |
|||
|
SBDH-6044.ZD3 |
45 A |
6 A |
60 A |
|
SBDH-8044.ZD3 |
60 A |
8 A |
80 A |
|
SBDH-10044.ZD3 |
75 A |
10 A |
100 A |
|
SBDH-12044.ZD3 |
90 A |
12 A |
120 A |
|
SBDH-15044.ZD3 |
113 A |
15 A |
150 A |
|
BDH-xx44.ZD3 |
|||
|
BDH-10044.ZD3 |
75 A |
10 A |
100 A |
|
BDH-12044.ZD3 |
90 A |
12 A |
120 A |
|
BDH-15044.ZD3 |
113 A |
15 A |
150 A |
|
BDH-20044.ZD3 |
150 A |
20 A |
200 A |
|
BDH-25044.ZD3 |
188 A |
25 A |
250 A |
ТТР данных серий ориентированы на коммутирование мощной нагрузки с большими токами. Большие токи вызывают значительное выделение тепла. В связи с этим в конструкции ТТР BDH-xx44.ZD3 и SBDH-xx44.ZD3 применяются особые конструктивные решения, призванные обеспечить надежность ТТР и увеличить эффективность отведения тепла от силовых ключей.
• Использование в конструкции ТТР особых силовых ключей тиристоров SCR-типа*.
• Сочетание таких тиристоров с основанием из меди, обладающим отличной теплопроводностью.
• Встроенная RC-цепочка, шунтирующая выход, повышает надежность работы ТТР в условиях импульсных помех, особенно при коммутации индуктивной нагрузки.
* – полупроводниковые элементы, которые наносятся напылением на керамическую подложку, прочно связанную с медным основанием твердотельного реле.
ВНИМАНИЕ! Более дешевые материалы, используемые для изготовления корпуса, не могут обеспечит его целостность при коротком замыкании.
* – для коммутации трехфазной нагрузки необходимо устанавливать одно ТТР на каждую коммутируемую фазу.
|
Параметр |
Серия SBDH-xx44.ZD3 |
Серия BDH-xx44.ZD3 |
|
Тип коммутируемого тока |
Переменный ток |
|
|
Тип коммутируемой сети |
Однофазная Трехфазная* |
|
|
Тип коммутируемой нагрузки |
Резистивная Индуктивная |
|
|
Допустимые схемы включения для трехфазной нагрузки |
"Звезда", "Звезда с нейтралью", "Треугольник" | |
|
Коммутируемое напряжение |
40…440 VAC |
|
|
Управляющий сигнал |
Напряжение 3...32 VDC |
|
|
Входное сопротивление |
900 Ом |
|
|
Пороги включения/выключения |
Порог включения 3 VDC Порог отключения 1 VDC |
|
|
Тип выходных силовых элементов |
Тиристоры SCR-типа на керамической подложке |
|
|
Вид коммутации |
Коммутация при переходе через 0 |
|
|
Максимальное пиковое напряжение |
12 класс (1200 VAC) |
11 класс (1100 VAC) |
|
Потребляемый ток в цепи управления |
5…25 мА |
|
|
Падение напряжения на реле во включенном состоянии |
≤1,6 VAC |
|
|
Время переключения реле |
≤10 мс (при частоте 50 Гц) |
|
|
Максимальная частота коммутации |
50 Гц |
|
|
Ток утечки в коммутируемой цепи |
≤10 мА |
|
|
Сопротивление изоляции |
500 МОм (при 500 VDC) |
|
|
Электрическая прочность изоляции |
Соответствует стандартам UL1577 (2500 V в течение одной минуты) |
|
|
|
|
Габаритные размеры и масса |
92×25×36 мм; ≤135 г |
94×34×43 мм; ≤235 г |
|
Материал основания |
Медь, гальванизированная никелем |
|
|
Индикация |
Светодиод для контроля наличия входного сигнала |
|
|
Тип монтажа |
Крепление винтами на плоскость на радиатор с вентилятором |
|
|
Рекомендации по схеме включения |
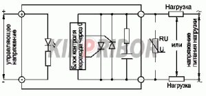
При управлении индуктивной нагрузкой необходимо установить варистор параллельно цепи нагрузки (см. схему включения) |
|
Телефон в Перми +7 (342) 270-02-27.
Задайте ваш вопрос он-лайн,
чтобы получить развернутый ответ на e-mail
Обращаем Ваше внимание на то, что вся представленная на сайте информация, касающаяся комплектаций, технических характеристик, а также стоимости оборудования носит информационный характер и ни при каких условиях не является публичной офертой, определяемой положениями Статьи 437 (2) Гражданского кодекса Российской Федерации.